Unflanged motor with pedestal (B3)
For more information, please send an email or call our hotline
Unflanged motor with pedestal (B3)
For more information, please send an email or call our hotline
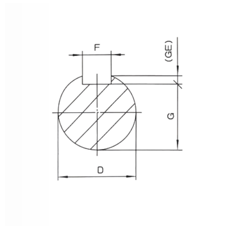
| Frame | Ploes | A | B | C | D | E | F | G | H | K | Inlet | AB | AC | AD | HD | L |
| 80M | 2.4.6.8 | 125 | 100 | 50 | 19 | 40 | 6 | 15.5 | 80 | 10 | M30X2 | 160 | 170 | 180 | 300 | 330 |
| 90S | 140 | 56 | 24 | 50 | 8 | 20 | 90 | 180 | 185 | 320 | 385 | |||||
| 90L | 125 | 415 | ||||||||||||||
| 100L | 160 | 140 | 63 | 28 | 60 | 24 | 100 | 12 | 200 | 210 | 355 | 456 | ||||
| 112M | 190 | 70 | 112 | 245 | 220 | 190 | 370 | 510 | ||||||||
| 132S | 216 | 89 | 38 | 80 | 10 | 33 | 132 | 280 | 270 | 420 | 528 | |||||
| 132M | 178 | 568 | ||||||||||||||
| 160M | 2.4.6.8.10.12 | 254 | 210 | 108 | 42 | 110 | 12 | 37 | 160 | 14.5 | M36X2 | 330 | 320 | 202 | 490 | 706 |
| 160L | 254 | 735 | ||||||||||||||
| 180M | 279 | 241 | 121 | 48 | 14 | 42.5 | 180 | 15.5 | 355 | 360 | 530 | 760 | ||||
| 180L | 279 | 777 | ||||||||||||||
| 200L | 318 | 305 | 133 | 55 | 16 | 49 | 200 | 18.5 | M48X2 | 390 | 400 | 235 | 590 | 812 | ||
| 225S | 4.8.10.12 | 356 | 286 | 149 | 60 | 140 | 18 | 53 | 225 | 435 | 450 | 635 | 865 | |||
| 225M | 2 | 311 | 55 | 110 | 16 | 49 | 860 | |||||||||
| 4.6.8.10.12 | 60 | 140 | 18 | 53 | 888 | |||||||||||
| 250M | 2 | 406 | 349 | 350 | 250 | 24 | M64X2 | 490 | 500 | 270 | 720 | 948 | ||||
| 4.6.8.10.12 | 65 | 58 | ||||||||||||||
| 280S | 2 | 457 | 368 | 190 | 280 | 545 | 550 | 780 | 1000 | |||||||
| 4.6.8.10.12 | 75 | 20 | 67.5 | |||||||||||||
| 280M | 2 | 419 | 65 | 18 | 58 | 1035 | ||||||||||
| 4.6.8.10.12 | 75 | 20 | 67.5 | |||||||||||||
| 315S | 2 | 508 | 406 | 216 | 65 | 18 | 58 | 315 | 28 | 2-φ70 | 630 | 620 | 320 | 910 | 1230 | |
| 4.6.8.10.12 | 80 | 170 | 22 | 71 | 1280 | |||||||||||
| 315M | 2 | 457 | 65 | 140 | 18 | 58 | 1345 | |||||||||
| 4.6.8.10.12 | 80 | 170 | 22 | 71 | 1400 | |||||||||||
| 315L | 2 | 508 | 65 | 140 | 18 | 58 | 1350 | |||||||||
| 4.6.8.10.12 | 80 | 170 | 22 | 71 | 1400 | |||||||||||
| 355S | 2 | 610 | 500 | 254 | 75 | 140 | 20 | 67.5 | 355 | 750 | 740 | 320 | 1050 | 1385 | ||
| 4.6.8.10.12 | 95 | 170 | 25 | 86 | 1410 | |||||||||||
| 355M | 2 | 560 | 75 | 140 | 20 | 67.5 | 1481 | |||||||||
| 4.6.8.10.12 | 95 | 170 | 25 | 86 | 1512 | |||||||||||
| 355L | 2 | 630 | 75 | 140 | 20 | 67.5 | 1572 | |||||||||
| 4.6.8.10.12 | 95 | 170 | 25 | 86 | 1600 |